г. Электросталь, Авангардный проезд 2, ГСК "СПЛАВ"

Диодный мост Valeo, как проверить

Диодные мосты для старых типов генераторов Valeo имеют своеобразную конструкцию  и надо понимать, как они устроены, чтобы уверенно и быстро их проверять.

Схема диодного моста Valeo, особенности устройств и проверка.

Диодные мосты Valeo такой конструкции могут быть 6-ти диодными, 8-ми диодными, могут быть с доп. диодами и могут быть без доп. диодов.
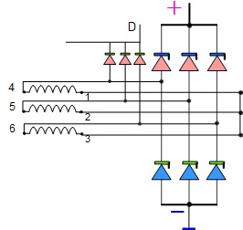
Схема диодного моста VALEO
Шестивыводной диодный мост Valeo соединяет выводы обмотки в звезду. 
Сатор имеет 6 выводов, которые сгруппированы так, как показано на рисунке. Точки 1,2,3 диодный мост объединяет в одну точку, а точки 4,5,6 являются выводами фаз. так обмотки соединяются в звезду.
 
Распиновка диодного моста Valeo
Распиновка диодного моста Valeo
Схема диодного моста Valeo 
Схема диодного моста VALEO 6 диодов
Схема диодного моста VALEO 8 выводов
Устройство 6-ти диодного моста 
Устройство диодного моста Valeo 6 диодов
 
Устройство 8-ми диодного моста 
Устройство диодного моста Valeo 8 диодов
 
В целом, устройство и способы проверки диодных мостов одниковы.
Проверка диодного моста Valeo 6 диодов.
Для проверки используем три точки подключения фаз 4,5,6
Проверяем плюсовые диоды
1. Плюс омметра к плюсу диодного моста. Минус омметра по очереди подключаем к точкам 4,5,6. Это непроводящее направление диодов и стрелка омметра не должна отклониться.
 Как прозвонить диодный мост Valeo 1
2. Минус омметра к плюсовой шине диодного моста, Плюс омметра подключаем по очереди к точкам 4,5,6. Это проводящее направление диодов и стрелка должна отклоняться.
Как прозвонить диодный мост Valeo 2
 
 Проверяем минусовые диоды
3. Плюс омметра подключаем к минусовой шине. Минус омметра подключаем по очереди к точкам 4,5,6. Это проводящее направление минусовых диодов и стрелка должна отклоняться.
Как прозвонить диодный мост Valeo 3
 4. Минус омметра подсоединяем к минусовой шине. Плюс омметра по очереди присоединяем к точкам 4,5,6. Это непроводящее направление минусовых диодов и стрелка не должна отклоняться.
Как прозвонить диодный мост Valeo 4
Проверка 8-ми диодного моста. 
Проверка делается также, но дополнительно надо проверить 7 и 8 диоды. 
Для проверки 7  диода нужно подключить плюс омметра к плюсовой шине и минус омметра  к любой точке 1,2,3. Затем поменять плюс и минус омметра местами. В одну строну стрелка не должна отклониться, а в другую должна.
Для проверки 8 диода нужно подключить плюс омметра к минусовой шине и минус омметра  к любой точке 1,2,3. Затем поменять плюс и минус омметра местами. В одну строну стрелка не должна отклониться, а в другую должна.
Проверка Доп. диодов
Довольно часто выходят из строя доп. диоды. 
Для проверки доп. диодов надо подключить омметр одним выводом к точке D или L(куда подключается провод возбуждения), а другим по очереди коснуться точек 4,5,6. Поменять местами выводы омметра и снова коснуться точек 4,5,6. В одну сторону стрелка должна отклоняться, в другую не должна.
 
Проверку гораздо проще сделать от трансформаторной схемы с двумя лампочками. Lamp
Один вывод на плюсовую шину вторым коснуться, по очереди, точек 4,5,6, должна загораться только одна лампочка.
Дальше, этим выводом коснуться минусовой шины, а вторым, по очереди, точек 4,5,6, должна загораться только одна лампочка.